Rendelésre!
Átfutási idő 8..10 nap!
Hajdu PT HC 100 Erp a fűtési-hűtési rendszerek energiatárolói. Kiegyenlítik a hőtermelő / hőleadó és a hőigény időbeli eltérését, biztosítva ezáltal a komfortosságot
Hajdu PT HC 100 Erp Álló elhelyezésű, zártrendszerű, fűtési – hűtési puffertároló adatlap
| Típus | Mértékegység | Hajdu PT HC 100 ErP Álló elhelyezésű, zártrendszerű, fűtési – hűtési puffertároló |
| Névleges űrtartalom | liter | 107 |
| Átmérő (szigetelés nélkül) | mm | 546 |
| Magasság | mm | 874 |
| Tömeg | kg | 25 |
| Tároló max. üzemi nyomás | MPa | 0,6 |
| Vízcsatlakozás | Coll | G6/4” BM |
| Hőérzékelő csonkok | Coll | G1/2” BM |
| Készenléti energia | kWh/24h | 2,57 |
| Érzékelő csatlakozások | Coll | Rp 1/2″ |
| Tárolási veszteség | W | 39 |
| Energiahatékonysági osztály | – | B |
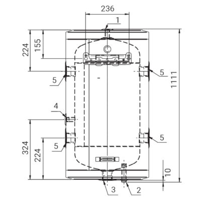
| a | mm | 628 |
| b | mm | 433 |
| c | mm | 247 |
| d | mm | 614 |
| e | mm | 874 |
| ØD | mm | 546 |
| 1. felső csonk | Coll | G6/4” BM |
| 2.,3.,4.,5. hőtermelő/hőleadó csonk | Coll | G6/4” BM |
| 6.,7. hőérzékelő csonk | Coll | G1/2” BM |
Leírás
A PT HC típusok a fűtési-hűtési rendszerek energiatárolói. Elsősorban hőszivattyús rendszerekhez ajánljuk. A puffertárolót acéltartály, poliuretán hab szigetelés, műanyagköpeny és – fedél alkotja. 100 és 200 literes, üres kivitelben készülnek.
A puffertárolók a fűtési-hűtési rendszerek energiatárolói. Kiegyenlítik a hőtermelő / hőleadó és a hőigény időbeli eltérését, biztosítva ezáltal a komfortosságot. A puffertárolót, acéltartály, poliuretán hab szigetelés, műanyag – köpeny és – fedél alkotja.
Az álló kivitelű PT HC 100, 200 tárolók szigetelése 47 mm vastag poliuretán hab, köpenyük műanyag. A tartályt körülvevő poliuretán hab hosszú időn keresztül biztosítja fűtő – hűtőfolyadék hőntartását, energia felvétel – leadás nélkül.







Értékelések
Még nincsenek értékelések.